| 添加時間: | 2020-07-26 09:50:33 |
|---|
- 電 話:0550-7150168
- 郵 箱:664688125@qq.com
| 添加時間: | 2020-07-26 09:50:33 |
|---|
MS7053T直流信號隔離器(一路輸出支持回路供電)
?
一、特性
1入2出?
·直流信號的隔離分配,一路通道輸入,兩路通道隔離輸出
·一路輸出4-20mA (支持輸出回路供電)
·第二路輸出直流電流或電壓信號?
二、技術規格
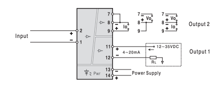
·接受現場各種設備的直流信號輸入,經過隔離、干擾抑制等處理后。將輸入的直流信號分配成兩路信號輸出。第 一路輸出4-20mA,第二路輸出4-20mA或1-5V。 ?·直流電源供電方式,儀表的第 一路輸出為回路供電,供電電源一輸入 一輸出各通道之間隔離。 ?·標準的35mmDIN導軌卡式安裝??砂尾宓慕泳€插頭端子,彈簧壓緊連接。 ● 輸 入? 輸入信號∶4-20mA,1-5V,或其它指定信號 輸入阻抗∶電流輸入時24Ω;電壓輸入時=500KΩ ● 輸 出 第 一路輸出? 輸出電流(lo)∶4~20mA 輸出回路供電電壓(Ue)∶12~35V 電壓降(Ud)∶3V? 輸出負載電阻(RL)∶計算式 RL≤(Ue-Ud)÷0.02 (注明∶輸出回路供電電壓的選擇應根據負載大小確定,?過高電壓且負載很小時,將會加重隔離器的發熱狀況。) 第二路輸出 ?輸出信號∶4~20mA,1-5V,或其它指定信號 負載電阻∶4-20mA輸出時,≤550Ω(出廠默認) 1-5V輸出時,≥100KΩ 輸出紋波∶<10mVp-p | ● 供電電源? 供電電壓范圍∶20~30VDC 額定供電電壓∶24VDC? 電流消耗(24VDC供電時)∶<60mA ● 綜合參數 標準精度∶±0.1% 溫度漂移∶±0.015%/ ℃ 響應時間∶<10ms? 隔離能力∶輸入-輸出-電源之間2.5KV,1min,50Hz 絕緣電阻∶輸入-輸出-電源之間 ≥100MQ/500VDC 工作環境溫度∶-20~+60℃ 儲存環境溫度∶-40~+80℃ ?機殼材質/防護等級∶PC(聚碳酸脂)材料/IP20 外形尺寸∶16×116×110(mm)? |
三、型號選擇

![]()
![]()
四、外形尺寸、安裝圖
● 安裝
1.35mm標準DIN導軌卡式安裝。安裝時請注意卡位穩定、牢固。
2.盡可能垂直安裝,以利于儀表內部熱量散發。
● 典型應用
1.用于向現場變送器提供配電電壓并將信號輸入信號隔離轉換。
2.連接至現場的設備:二線制或三線制非智能變送器有源電信號。
3.連接至控制系統(或其它單元組合儀表):各款 DCS/PLC的AI卡,接收電流或電壓信號。

● 外形尺寸
寬(厚)× 高 × 深=16×116×110(mm)

五、端子接線圖
● 端子接線:拔插式接線端子,通過自升壓簧片式壓緊連接。導線采用截面積不超過 2.5mm2的多束或單股電纜。
