| 添加時間: | 2020-07-19 17:13:49 |
|---|
- 電 話:0550-7150168
- 郵 箱:664688125@qq.com
| 添加時間: | 2020-07-19 17:13:49 |
|---|
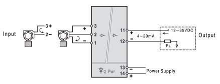
MS7046隔離配電器?(支持輸出回路供電)
?
一、特性
1入1出?
·給變送器提供配電電壓
·4-20m隔離傳輸
·獨立的直流電源供電,并支持輸出回路供電
二、技術規格
·向現場的二線制或三線制變送器提供隔離的電源電壓,并將變送器產生的4~20mA信號隔離轉換后,輸出至控制系統或其它儀表。? ·該隔離配電器采用獨立的直流電源供電方式,并支持輸出回路供電,供電電源-輸入-輸出之間隔離。? ·標準的35mmDIN 導軌卡式安裝。可拔播的接線插頭端子,彈簧壓緊連接。? ●輸 入 輸入信號∶4~20mA 輸入阻抗∶24Ω? 給變送器的配電∶20mA時,≥18V(出廠默認),若需要更大配電(如≥22V),訂貨時注明 zui大輸入電流∶約 24mA ●輸 出? 輸出電流(lo)∶4~20mA 輸出回路供電電壓(Ue)∶12~35V 電壓降(Ud)∶3V? 輸出負載電阻(RL)∶計算式 RL≤(Ue-Ud)÷0.02 輸出紋波∶< 10mVp-p? (注明∶輸出回路供電電壓的選擇應根據負載大小確定,過高電壓且負載很小時,將會加重隔離器的發熱狀況。) | ● 供電電源? 供電電壓范圍∶20-30VDC 額定供電電壓∶24VDC 電流消耗(24VDC供電時)∶ ?<38mA(1入1出);<57mA(1入2出);<90mA(2入2出)? ●綜合參數 標準精度∶±0.1% 溫度漂移∶±0.015%/℃ 響應時間∶< 10ms? 隔離能力∶輸入-輸出-電源之間2.5KV,1min,50Hz 絕緣電阻∶輸入-輸出-電源之間≥100MQ/500VDC 工作環境溫度∶-20~+60℃ 儲存環境溫度∶-40-+80℃? 機殼材質/防護等級∶PC(聚碳酸脂)材料/IP20 外形尺寸∶16×116×110(mm)? |
三、型號選擇

四、外形尺寸、安裝圖
● 安裝
1.35mm標準DIN導軌卡式安裝。安裝時請注意卡位穩定、牢固。
2.盡可能垂直安裝,以利于儀表內部熱量散發。
● 典型應用
1.用于向現場變送器提供配電電壓并將信號輸入信號隔離轉換。
2.連接至現場的設備:二線制或三線制非智能變送器有源電信號。
3.連接至控制系統(或其它單元組合儀表):各款 DCS/PLC的AI卡,接收電流或電壓信號。

● 外形尺寸
寬(厚)× 高 × 深=16×116×110(mm)

五、端子接線圖
● 端子接線:拔插式接線端子,通過自升壓簧片式壓緊連接。導線采用截面積不超過 2.5mm2的多束或單股電纜。
