| 添加時間: | 2020-07-31 20:43:03 |
|---|
MS7082(MS7920)熱電阻輸入信號隔離器
熱電阻輸入信號隔離器
?
一、特性
MS7082(1入1出)、MS7920(1入2出?)
·適用于Pt100,Cu50等熱電阻
·隔離輸出4~20mA或1~5V
二、技術規格
·適用于熱電阻信號輸入,經過隔離,轉換為圓定量程的標準直流信號輸出到制系統或其它儀表。? ·單通道,一路輸入,一路輸出。直流電源供電方式,供電電源—輸入一輸出之間隔離。? ·采用標準的35mmDIN導軌卡式安裝。可拔插的接線插頭端子彈簧壓緊連接。 ?·可以與DCS、PLC等系統或其它儀表配套使用,廣泛用于工業生產過程的各種溫度檢測和控制系統。 ●輸入? 輸入熱電阻∶P1100;Pt10;Cu50;Cu100等各型熱電阻 允許導線電阻∶每條導線≤10Ω ?●輸出? 輸出信號∶4~20mA,1~5V,或其它指定信號 負載電阻∶4~20mA輸出時,≤550Ω(出廠默認) ?1-5V輸出時,≥100KΩ 輸出紋波∶<10mVp-p? | ●供電電源 ?供電電壓范圍∶20-30VDC 額定供電電壓∶24VDC? 電流消耗(24VDC供電時)∶<30mA(1入1出)? <48mA(1入2出) ?●綜合參數? 標準精度∶±0.1%(參見熱電阻類型、量程及測量誤差表) 溫度漂移∶基本誤差/10℃ 響應時間∶< 10ms? 隔離能力∶輸入-輸出-電源之間2.5KV,1min,50Hz 絕緣電阻∶輸入-輸出-電源之間≥100MΩ/500VDC 工作環境溫度∶-20~+60℃ 儲存環境溫度∶-40~ +80℃? 機殼材質/防護等級∶PC(聚碳酸脂)材料/IP20 外形尺寸∶16×116×110(mm)? |
三、型號選擇

![]()
![]()
四、外形尺寸、安裝圖
● 安裝
1.35mm標準DIN導軌卡式安裝。安裝時請注意卡位穩定、牢固。
2.盡可能垂直安裝,以利于儀表內部熱量散發。
● 典型應用
1.用于向現場變送器提供配電電壓并將信號輸入信號隔離轉換。
2.連接至現場的設備:二線制或三線制非智能變送器有源電信號。
3.連接至控制系統(或其它單元組合儀表):各款 DCS/PLC的AI卡,接收電流或電壓信號。

● 外形尺寸
寬(厚)× 高 × 深=16×116×110(mm)

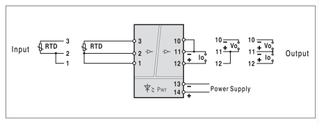
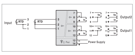
五、端子接線圖
● 端子接線:拔插式接線端子,通過自升壓簧片式壓緊連接。導線采用截面積不超過 2.5mm2的多束或單股電纜。


![安徽茂書儀表有限公司[官網]](/cn/upload/images/202006/15935023163531.png)