| 添加時間: | 2020-07-31 17:53:14 |
|---|
MS7074熱電偶輸入信號隔離器(一入一出)
MS7074熱電偶輸入信號隔離器
?
一、特性
1入1出?
·適用于K、E、S、B等熱電偶
·隔離輸出4-20mA或1-5V等信號?
二、技術規格
·適用于熱電偶或其它毫伏信號輸入,經過隔離,轉換為固定量程的標準直流信號,輸出到控制系統或其它儀表。 ·采用獨立的直流電源供電,供電電源-輸入-輸出之間隔離。 ·標準的35mmDIN導軌卡式安裝。可拔插的接線插頭端子,彈簧壓緊連接。? ● 輸入? 輸入熱電偶∶K;E;S;B;R;T;N;W;J等各型熱電偶可選 毫伏信號輸入∶-5~+60mV 范圍最小毫伏量程∶3mV ?●輸出? 輸出信號∶4~20mA,1-5V,或其它指定信號 負載電阻∶4-20mA 輸出時,≤550Ω(出廠默認)? 1-5V輸出時,≥100KΩ 輸出紋波∶< 10mVp-p | ● 供電電源 ?供電電壓范圍∶20~30VDC 額定供電電壓∶24VDC ?電流消耗(24VDC供電時)∶<30mA(1入1出);? <48mA(1入2出)? ● 綜合參數? 標準精度∶±0.2%(參見熱電偶類型、量程及測量誤差表) 冷端溫度誤差∶±1℃ 冷端溫度補償范圍∶-5~+60℃ (冷端補嘗電阻已安裝在溫度變送器內部) 溫度漂移∶基本誤差/10℃ 響應時間∶< 10ms 補償溫度穩定時間∶< 1min? 隔離能力∶輸入-輸出-電源之間2.5KV,1min,50Hz 絕緣電阻∶輸入-輸出-電源之間≥100MΩ/500VDC 工作環境溫度∶-20~+60℃ 儲存環境溫度∶-40~+80℃? 機殼材質/防護等級∶PC(聚碳酸脂)材料/IP20 外形尺寸∶16x116x110(mm)? |
三、型號選擇

![]()
![]()
四、外形尺寸、安裝圖
● 安裝
1.35mm標準DIN導軌卡式安裝。安裝時請注意卡位穩定、牢固。
2.盡可能垂直安裝,以利于儀表內部熱量散發。
● 典型應用
1.用于向現場變送器提供配電電壓并將信號輸入信號隔離轉換。
2.連接至現場的設備:二線制或三線制非智能變送器有源電信號。
3.連接至控制系統(或其它單元組合儀表):各款 DCS/PLC的AI卡,接收電流或電壓信號。

● 外形尺寸
寬(厚)× 高 × 深=16×116×110(mm)

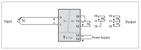
五、端子接線圖
● 端子接線:拔插式接線端子,通過自升壓簧片式壓緊連接。導線采用截面積不超過 2.5mm2的多束或單股電纜。

![安徽茂書儀表有限公司[官網]](/cn/upload/images/202006/15935023163531.png)