| 添加時間: | 2020-08-07 22:38:34 |
|---|
- 電 話:0550-7150168
- 郵 箱:664688125@qq.com
| 添加時間: | 2020-08-07 22:38:34 |
|---|
一、產品簡介
EX3000電量記錄儀直接測量交流電的三相三線或三相四線制交流電的三相電壓、三相電流(真有效值)、有功功率、無功功率、視在功率、功率因素、頻率、電量等電參數;同時記錄電壓、電流和電量,可生成各種電量報表;帶USB接口,可通過U盤將電壓、電流歷史數據和電量報表傳至上位機保存、分析;儀表可廣泛應用于環保、冶金、石化、鋼鐵等行業中監測三相電機驅動的大型設備的電流和電量消耗的情況及配電網和企業中三相電能的計量和監測。
二、特點
| 128*64點陣液晶顯示屏,全中文菜單顯示。 高速、高性能32位ARM處理器,可同時實現信號的檢測、記錄、顯示和報警。 大容量的FLASH閃存芯片存儲歷史數據,掉電永不丟失數據。 可存儲6通道歷史數據,系統四種存儲組合可選,分別是I/U、I/P、I/Q、I/S。 顯示6通道數據實時曲線。 顯示6通道數據歷史曲線。 顯示三相電流、三相電壓、三相有功功率、三相無功功率、三相視在功率、功率因素、頻率、累積電能等電量參數。 USB接口轉存和備份歷史數據,支持256M、512M、1G、2G優盤。 電量累積報表,可生成時報、日+月報、8小時班報、12小時班報。 RS232/RS485接口,ModBus RTU協議 可外接面板式微型打印機打印數據曲線 三、技術參數 輸入電壓: 3 × 220/380V, 信號范圍 15 ~ 500V 輸入電流: 3 × 5A ,信號范圍 0.01 ~ 5A | ![]() |
測量頻率: 45 ~ 65Hz
過載能力: Imax = 10 A ,Umax = 1000V
測量精度: 電流:± 0.2%FS
電壓:± 0.2%FS
電量:± 0.5%FS
記錄時間
| 記錄間隔 | 2秒 | 5秒 | 10秒 | 15秒 | 30秒 | 1分 | 2分 | 4分 |
| 記錄長度 | 3天 | 7.5天 | 15天 | 22.5天 | 30天 | 90天 | 180天 | 360天 |
通訊接口: RS485/RS232選配
電 源: 85VAC ~ 265VAC,50HZ±5HZs
外形尺寸: 96 × 96 × 167 mm
開孔尺寸: 92 × 92 mm
工作條件: 環境溫度 0 ~ 60℃,相對濕度 < 85%
四、顯示畫面
![]() | ![]() |
![]() | ![]() |
![]() | ![]() |
五、儀表外形尺寸

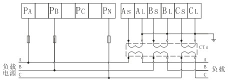
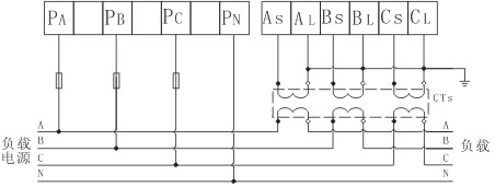
六、端子排列圖

七、接線圖
三相三線,采用3CT、無PT

三相四線,采用3CT、無PT
