| 添加時間: | 2020-08-12 17:31:43 |
|---|
MSL-T2隔離式熱電阻溫度變送器
介紹:
MSL-T2隔離式熱電阻溫度變送器
一、概述
本公司開發生產的MSL系列隔離式溫度變送器(一入二出),采用三線式鉑(銅)電阻測量電路,具有自補償功能,無須考慮溫度傳感器傳輸電纜的線電阻,只要三根傳輸電纜的線電阻相等,就能完全克服因溫度傳感器傳輸電纜的線電阻引起的誤差。
溫度變送器以其良好的性能和低廉的價格,可廣泛用于強電場環境中,如變壓器油溫、蓄電池表面溫度等的測量,還可用于工業溫控系統。
二、主要特點
將熱電阻信號轉換成直流信號,實現信號之間的電氣隔離
優良的溫度特性和長期的工作穩定性
結構緊湊,可高密安裝
DC24V電源,符合CE指令
三、產品型號描述

四、技術參數
執行標準:IEC688:1992,QB/441600 17 080–2001
準 確 度:0.2%,0.5%
整機功耗:≤1.5VA
工作穩定性:年變化< 0.2%
工頻耐壓:AC2.0kV/min.1mA(輸入/輸出/電源)
絕緣電阻:≥20M Ω(DC500V)
沖擊電壓:5kV(峰值),1.250 μS
測量范圍:-40~500℃可選
輸出信號:DC0~5V、1~5V、0~20mA、4~20mA等
負載電阻:電壓輸出:RL≥2KΩ,電流輸出:≤500Ω
工作環境:-10~50℃,20%~90%無凝露
貯存環境:-40~70℃,20%~95%無凝露
安裝方式:DIN(35mm)導軌和M3鏍釘固定
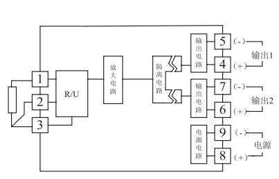
五、接線方式

六、產品結構圖

瀏覽:
上一篇:MSL-T隔離式熱電阻溫度變送器
下一篇:SWP20系列溫度變送器
![安徽茂書儀表有限公司[官網]](/cn/upload/images/202006/15935023163531.png)